一、ERP管理系统
ERP管理系统指企业资源管理系统,针对人、财、物等资源进行管理,主要包括财务会计
及供应链管理模块,财务会计包括总账、报表、应收应付等模块,供应链管理包括采购、销售、库存、存货等模块。
1.ERP总流程

2.财务管理模块
财务管理模块包括主要包括总账、应收款管理、应付款管理、固定资产、UFO 报表、网上银行、 票据通、现金流量、网上报销、报账中心、公司对账、财务分析、现金流量表等模块。这些 模块从不同的角度,实现了从核算到报表分析的财务管理全过程。

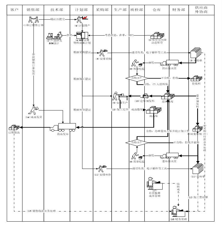
3.供应链管理模块
包括合同管理、售前分析、销售管理、出口管理、采购管理、委外管理、库存 管理、存货核算、质量管理、GSP、WEB 业务和进口管理。供应链管理可进一步加深制造领域和行业领域的应用,优化供应链业务流程,并加强与制造、零售、分销等业务的整 合。整体流程如下所示:

二、供应链、供应商关系管理系统(SCM/SRM)
SCM/SRM系统可改善供应链上下游关系,规范企业采购流程,提高采购效率,进行供需双方资源协作、优势互补,包括采购寻源、采购分析、供应商管理、协同采购、财务对账等功能。
1.SCM/SRM系统架构
2.SCM/SRM应用场景
SCM/SRM系统适用于供应商全生命周期、多渠道采购寻源、采购全流程管控协同、集中采购、非生产性物料管理等业务场景,管理应用流程如下:
3.推行SCM/SRM系统的效果
SCM/SRM系统可降低采购成本、提高采购效率、提升合规意识、增强供应品质。